
自動車ファブリックシート用 防汚コーティング
- 車内で飲食する機会が多く、
子どもの食べこぼし、飲みこぼしなど
シートの汚れが心配!! - 特に汗をかく夏場など、
皮脂や油汚れがシートに
付着するのが嫌だ!! - アウトドアレジャー(キャンプ等)時、
ボディだけでなく
シートも汚すことが多い!!
様々な汚れからファブリックシートを守る、
布製(ファブリック)シート保護コーティング!

- 自動車用シートの繊維に
特殊なコーティング被膜を形成 - 汚れなどの染み込みを抑制し、
その美しさを守る - 汚れが付着しても落としやすくなり、メンテナンスの手間を軽減!
- 優れた防汚効果撥水・撥油性を有する防汚被膜を形成し、ファブリックを保護します。
- お肌や環境に優しい様々なテストを実施し、
安全性を確認しています。※1 - 効果持続期間 約3年往復20,000回以上の
擦り試験をクリア。※2
※1/●ヒトパッチテスト →「皮膚刺激指数0.0、安全品」●有害物質を含有する家庭用品の規制に関する法律(家庭用品規制法)(ホルムアルデヒド) →「適合する」●食品衛生試験(材質:カドミウム、鉛) →「適合する」●食品衛生試験(溶出:重金属、過マンガン酸カリウム消費量)→「適合する」
※2/●毎日30回程度乗り降りしたと仮定すると、理論上3年は効果が持続すると想定できます。製造元テストより(お車の保管環境・使用状況により異なります)。
撥水性・撥油性の両方の効果を兼ね備えたコーティング被膜を形成し、
ファブリックを汚れからガードします!
イメージ図

ファブリックシートの繊維、1本1本に特殊なコーティング被膜を形成し、水分・油分などの汚れの染み込みを抑制します。
※繊維はコーティング被膜で保護されていますが、編み目の隙間に汚れが入り込むことを防ぐことはできません。
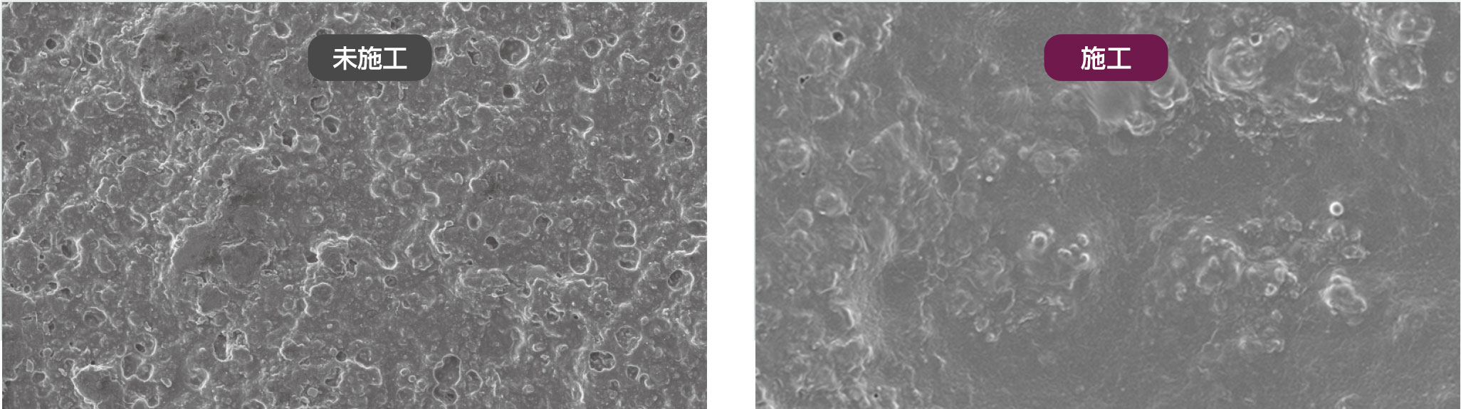
電子顕微鏡による繊維の写真(×1,000)

施工した繊維には、1本1本コーティングされていることが確認できます。
※電子顕微鏡による繊維の写真(×1,000)
防汚効果の検証
撥水に撥油の両方の効果を備えたコーティング被膜を形成し、様々な汚れからファブリックシートを守ります。
コーヒーやジュースなどの汚れに効果を発揮
検証/ファブリック生地にコーヒーを滴下


未施工ではコーヒーが染み込んでいますが、施工したファブリックでは水滴になっています。裏面を見ても施工側は染み込んでいません。
ポテトや皮脂などの油汚れに効果を発揮
検証/ファブリック生地にラー油を滴下


コーヒー同様、未施工では染み込んでいますが、施工したファブリックはラー油を弾いています。裏面も施工側は染み込みが見られません。
検証/ファブリック生地にハッシュドポテトを置く



未施工ではハッシュドポテトの脂分が染み込み、シミになっていますが、施工側は撥油効果により、油ジミは付いていません。
防汚効果のイメージ
油成分がシートに付着すると、その下のスポンジ層や、シート本体にも染み込み、その後表面の汚れを除去しても、悪臭の原因になります。

CPCファブリックコーティングを施工すれば、撥水・撥油効果で汚れの染み込みを抑え、車内の臭い発生原因を抑制します。
カーディーラー様で取り扱っています!!
取り扱いカーディーラー様については当社までお問い合わせください。
0120-202-483(コールセンター)
10:00〜17:00(祝日および年末年始、夏期休暇日は除く)

自動車のレザー(本革・合皮)シート用 保護コーティング
- 本革本来の風合いを
永く維持したい!! - 本革は経年で
黒ズミやヨレが目立って
くるので気を遣う!! - デニムなどの
色移りや汚れが付かない
ようにしたい!!
そんなお声にお応えするため
レザー(本革・合皮)の風合いを守りながら
経年劣化を抑制します。
- ❶優れた保護効果で、
レザー表面を守る - ❷黒ずみやヨレなどの
劣化を抑制する - ❸色移りや汚れが付きにくく
落としやすくなる - ❹水溶性の成分で、
お肌や環境に優しい※A - ❺長期間の持続性
(効果持続期間約3年)※B

※A/安全性の高い水溶性の溶剤で、臭いが残ることもありません。様々な試験により、お肌や環境に悪影響がないことを確認しています。
●ヒトパッチテスト →「安全品」●有害物質を含有する家庭用品の規制に関する法律(家庭用品規制法)(ホルムアルデヒド) →「適合する」●食品衛生試験(材質:カドミウム、鉛) →「適合する」●食品衛生試験(溶出:重金属、過マンガン酸カリウム消費量)→「適合する」
※B/20,000回以上往復の擦り試験をクリア。毎日30回程度乗り降りしたと仮定すると、理論上3年間は効果が持続すると想定できます。製造元テストより(お車の保管環境・使用状況により異なります)。
レザーの風合いを守る保護被膜を形成

レザーシートには、その表面保護を目的に何らかの加工が施されていますが、その表面加工の上に、さらに保護効果を持つコーティング被膜を形成することで、表面加工の劣化を抑制します。2種類の機能成分※をバランスよく3次元架橋した、密度の高い柔軟性のある連続被膜を形成。レザー表面への密着性が高く、優れた耐久性、耐摩耗効果により、摩擦によるレザー表皮の劣化を抑制し、表面加工ごと新品のレザーの風合いを長期間持続させます。
※2種類の機能成分/柔軟性を持ちつつ、水性の汚れ(飲料、デニム染料など)と、油性の汚れ(皮脂、油脂など)の2つの相反する汚れ両方に対応した複合被膜成分。
電子顕微鏡による革表面の写真(×400)

効果の検証①/擦り試験

※表面加工していない本革を使い、1kgの荷重をかけた6号帆布で、5,000回の擦り試験を実施。未施工の本革には劣化が見られますが、CPCレザーコーティングを施工した本革には劣化が見られず、保護されていることがわかります。
効果の検証②/キズ・ヨレの防止効果試験
本 革

合 皮

結果
負荷を集中させた状態で500回往復擦り上げた後は、施工していない本革・合皮については双方ともキズやヨレが確認されました。CPCレザーコーティングを施工していたレザーは、本革・合皮ともキズは確認されず、ヨレもわずかなものになっています。このことからCPCレザーコーティングは、本革・合皮に対して保護効果を有することが確認できました。
※表面加工していないレザーを使用しています。
効果の検証③/色移り試験

色移りが確認しやすい白の本革の半面にCPCレザーコーティングを施工。


色移りしやすいように湿らせたデニム生地を用意し、10回往復程度、本革全面を拭き上げます。

結果
湿らせたデニム生地で拭き上げた後の本革には、施工していない表面にはデニムの色が付着していることが確認されました。CPCレザーコーティングを施工していた表面には、わずかな色移りが確認されたものの、未施工の表面と比較すれば大幅に薄いものになっています。このことからCPCレザーコーティングは、本革表面への色移りを抑制する効果を有することが確認できました。
カーディーラー様で取り扱っています!!
取り扱いカーディーラー様については当社までお問い合わせください。
0120-202-483(コールセンター)
10:00〜17:00(祝日および年末年始、夏期休暇日は除く)


